晶振中心
進口晶振
- SMI晶振
- KDS晶振
- 精工晶振
- 西鐵城晶振
- 愛普生晶振
- 村田晶振
- 日本NDK晶體
- 京瓷晶振
- 臺灣TXC晶振
- 泰藝晶振
- 亞陶晶振
- 希華晶體
- 臺灣津綻晶體
- 美國CTS石英晶振
- 加高晶體
- 大河晶振
- 鴻星晶振
- 富士石英晶體
- AKER晶振
- Lihom晶振
- NAKA晶振
- NKG晶振
- NJR晶振
- Sunny晶振
石英晶體諧振器
歐美晶振
- Abracon晶振
- ECS晶振
- Golledge晶振
- ILSI晶振
- FOX晶振
- fujicom晶振
- AEK晶振
- CRYSTEK晶振
- interquip晶振
- Geyer晶振
- quartzcom晶振
- qantek晶振
- EUROQUARTZ晶振
- quarztechnik晶振
- Cardinal晶振
- FRE-TECH晶振
- KVG晶振
- wi2wi晶振
- AEL晶振
- Transko晶振
- suntsu晶振
- mmdcomp晶振
- MERCURY晶振
- MTRONPTI晶振
- RALTRON晶振
- Microcrystal晶振
- SITIME晶振
- IDT晶振
- Pletronics晶振
- STATEK晶振
- Rakon晶振
- ConnorWinfield晶振
- JAUCH晶振
- VECTRON晶振
- Greenray晶振
- ECLIPTEK晶振
- ACT晶振
- MTI-milliren晶振
- Rubyquartz晶振
- Oscilent晶振
- SHINSUNG晶振
- ITTI晶振
- PDI晶振
- IQD晶振
- Microchip晶振
- Silicon晶振
- Fortiming晶振
- CORE晶振
- NIPPON晶振
- NICKC晶振
- QVS晶振
- Bomar晶振
- Bliley晶振
- GED晶振
- FILTRONETICS晶振
- STD晶振
- Q-Tech晶振
- Anderson晶振
- Wenzel晶振
- NEL晶振
- EM晶振
- PETERMANN晶振
- FCD-Tech晶振
- HEC晶振
- FMI晶振
- Macrobizes晶振
- AXTAL晶振
- ARGO晶振
- Skyworks晶振
- Renesas瑞薩晶振
數碼產品
智能家電
時計產品
車載產品
石英晶體振蕩器

XMP-12132-A1-12pF-24MHz,2016mm,24MHz,KVG超小型晶振,XMP-12100,智能手機晶振,德國進口晶振,KVG晶振,型號:XMP-12100系列晶振,編碼為:XMP-12132-A1-12pF-24MHz,頻率為:24.000MHz,小體積晶振尺寸:2.0x1.6mm超小型封裝,四腳貼片晶振,SMD晶振,無源晶振,石英晶振,石英晶體諧振器,無鉛環保晶振,工作溫度范圍:-40℃至+85℃。具有超小型,輕薄型,高精度,高性能,高品質,高質量,耐熱及耐環境特點。進口晶振,被廣泛用于:通訊設備,智能穿戴設備,小型便捷式設備,智能手機,平板電腦,無線藍牙,智能家居,導航儀,安防設備,數碼電子等應用。

XMP-12132-A1-12pF-24MHz,2016mm,24MHz,KVG超小型晶振,XMP-12100,智能手機晶振,參數表
| Frequency range : | 24 MHz | ||||||||||||||||
| Standard Frequency: | 26, 30, 32 MHz | ||||||||||||||||
| Temperature range options: |
1: -10 to +60 °C 2: -20 to +70 °C 3: -30 to +85 °C 4: -40 to +85 °C |
||||||||||||||||
|
Frequency stability vs. temperature options : |
1: ± 5 2: ± 10 3: ± 15 4: ± 25 |
ppm (Note 1) ppm (available for temp.range 1 & 2): ppm ppm |
|||||||||||||||
| Adjustment tolerance at +25 °C: | ± 50 ppm | ||||||||||||||||
| Load capacity CL : | ≥8 pf ≤ 16 pf | ||||||||||||||||
| Insulation Resistance : | ≥ 500 MOhms | ||||||||||||||||
| Equivalent Series Resistance R1 max: |
≤ 30MHz ≥ 30MHz |
< 100 Ohm Mode A1 < 80 Ohm Mode A1 |
|||||||||||||||
| Co : | 3 pF max | ||||||||||||||||
| Drive level : | 10 μW standard | ||||||||||||||||
| Aging : | < ±3.0 ppm/year | ||||||||||||||||
| Storage temperature range : | -55 °C to + 125 °C | ||||||||||||||||
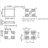
XMP-12132-A1-12pF-24MHz,2016mm,24MHz,KVG超小型晶振,XMP-12100,智能手機晶振,尺寸圖
XMP-12132-A1-12pF-24MHz,2016mm,24MHz,KVG超小型晶振,XMP-12100,智能手機晶振
2012mm體積的晶振,可以說是目前小型數碼產品的福音,目前超小型的智能手機里面所應用的就是小型的石英晶振,該產品最適用于無線通訊系統,無線局域網,已實現低相位噪聲,低電壓,低消費電流和高穩定度,超小型,質量輕等產品特點,產品本身編帶包裝方式,可對應自動高速貼片機應用,以及高溫回流焊接(產品無鉛對應),為無鉛產品.

深圳市康華爾電子有限公司SHENZHEN KONUAER ELECTRONICS CO.,LTD
電 話:0755-27838351
手 機:13823300879
Q Q:632862232
E-mail:konuaer@163.com
網 址:http://www.mingdakt.cn
地 址:廣東深圳市寶安寶安大道東95號浙商銀行大廈1905











業務經理