晶振中心
進口晶振
- SMI晶振
- KDS晶振
- 精工晶振
- 西鐵城晶振
- 愛普生晶振
- 村田晶振
- 日本NDK晶體
- 京瓷晶振
- 臺灣TXC晶振
- 泰藝晶振
- 亞陶晶振
- 希華晶體
- 臺灣津綻晶體
- 美國CTS石英晶振
- 加高晶體
- 大河晶振
- 鴻星晶振
- 富士石英晶體
- AKER晶振
- Lihom晶振
- NAKA晶振
- NKG晶振
- NJR晶振
- Sunny晶振
石英晶體諧振器
歐美晶振
- Abracon晶振
- ECS晶振
- Golledge晶振
- ILSI晶振
- FOX晶振
- fujicom晶振
- AEK晶振
- CRYSTEK晶振
- interquip晶振
- Geyer晶振
- quartzcom晶振
- qantek晶振
- EUROQUARTZ晶振
- quarztechnik晶振
- Cardinal晶振
- FRE-TECH晶振
- KVG晶振
- wi2wi晶振
- AEL晶振
- Transko晶振
- suntsu晶振
- mmdcomp晶振
- MERCURY晶振
- MTRONPTI晶振
- RALTRON晶振
- Microcrystal晶振
- SITIME晶振
- IDT晶振
- Pletronics晶振
- STATEK晶振
- Rakon晶振
- ConnorWinfield晶振
- JAUCH晶振
- VECTRON晶振
- Greenray晶振
- ECLIPTEK晶振
- ACT晶振
- MTI-milliren晶振
- Rubyquartz晶振
- Oscilent晶振
- SHINSUNG晶振
- ITTI晶振
- PDI晶振
- IQD晶振
- Microchip晶振
- Silicon晶振
- Fortiming晶振
- CORE晶振
- NIPPON晶振
- NICKC晶振
- QVS晶振
- Bomar晶振
- Bliley晶振
- GED晶振
- FILTRONETICS晶振
- STD晶振
- Q-Tech晶振
- Anderson晶振
- Wenzel晶振
- NEL晶振
- EM晶振
- PETERMANN晶振
- FCD-Tech晶振
- HEC晶振
- FMI晶振
- Macrobizes晶振
- AXTAL晶振
- ARGO晶振
- Skyworks晶振
- Renesas瑞薩晶振
數碼產品
智能家電
時計產品
車載產品
石英晶體振蕩器

Renesas超小型晶振,XFN336100.000000I,低損耗差分晶振,美國進口晶振,Renesas瑞薩電子晶振,XF系列晶振,編碼為:XFN336100.000000I,頻率為:100.000MHz,小體積晶振尺寸:3.2x2.5x0.85mm封裝,8墊腳貼片晶振,HCSL輸出差分晶體振蕩器,石英晶振,有源晶振,差分晶振,電壓:3.3V,工作溫度范圍:-40℃至+85℃。具有超小型,輕薄型,低相位噪聲差分晶振,低抖動差分晶振,低功耗差分晶振,低電源電壓,低耗能差分晶振,低損耗差分晶振,高精度,高性能等特點。應用于:通訊設備,無線網絡,物聯網,汽車電子,光模塊,光纖通訊,藍牙晶振,路由器,交換機,以太網,醫療設備,安防設備等。
XF系列器件是超低相位噪聲石英基PLL晶體振蕩器,支持大范圍的頻率和輸出接口類型。這些設備被設計為操作在三種不同的電源與幾種針形配置,以及兩個操作溫度范圍。XF設備可以被編程以產生從15MHz到2100MHz的輸出頻率,其分辨率可低至1Hz的精度。該系列設備的配置能力允許樣品和大型生產訂單的快速交付時間。該零件在工廠為固定頻率應用進行一次性編程(OTP),或可根據系統需要使用I2C進行現場編程(參見引腳描述下的說明)。

Renesas超小型晶振,XFN336100.000000I,低損耗差分晶振,參數表
| Parameter | Test Condition | Minimum | Typical | Maximum | Units | |
| Output Frequency Range | LVDS, LVPECL, CML. | 100 | MHz | |||
| HCSL | 15 | — | 725 | |||
| Frequency Stability | Temperature = -40°C to +85°C. | — | — | ±25 | ppm | |
| Temperature = -40°C to +105°C. | — | — | ±50 | ppm | ||
| Frequency Tolerance (25°C) | Temperature = 25°C. | — | — | ±15 | ppm | |
| Aging (1st year) | TA = 25°C. | — | — | ±3 | ||
| Aging (10 years) | TA = 25°C. | — | — | ±10 | ||
| Output Load | LVDS. | Differential. | — | 100 | — | Ω |
| LVPECL. | VDD - 2.0V. | — | 50 | — | ||
| HCSL. | To GND. | — | 50 | — | ||
| Start-up Time | Output valid time after VDD meets minimum specified level. | — | 5 | — | ms | |
| Output Rise Time | LVDS. | 20% – 80%, 156.25MHz | — | 303 | 400 | ps |
| LVPECL. | — | 292 | 400 | |||
| HCSL. | — | 310 | 400 | |||
| CML | — | 304 | 400 | |||
| Output Fall Time | LVDS. | 80% – 20%, 156.25MHz | — | 282 | 400 | ps |
| LVPECL. | — | 278 | 400 | |||
| HCSL. | — | 288 | 400 | |||
| CML | — | 281 | 400 | |||
| Output Clock Duty Cycle | LVDS. | 156.25MHz | 48 | — | 52 | % |
| LVPECL. | 156.25MHz | 48 | — | 52 | ||
| HCSL. | 156.25MHz | 48 | — | 52 | ||
| CML | 156.25MHz | 48 | — | 52 | ||
| Output Enable/Disable Time | — | — | — | 1 | — | ms |
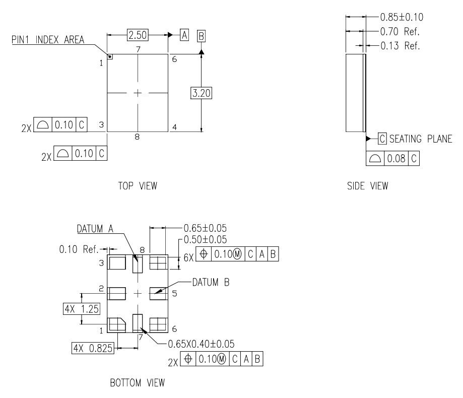
Renesas超小型晶振,XFN336100.000000I,低損耗差分晶振,尺寸圖
Renesas超小型晶振,XFN336100.000000I,低損耗差分晶振
產品特點:
輸出類型:LVDS、LVPECL、CML
頻率范圍:15MHz至2100MHz
輸出類型:HCSL
頻率范圍:15MHz至725MHz
電源電壓選項:1.8V、2.5V或3.3V 有源晶振
相位抖動(12kHz至20MHz):典型值為120fs
程序包選項:5.0×3.2mm,3.2×2.5mm,2.5×2.0mm
工作溫度和頻率穩定性:
-40°C至+85°C,±25ppm
-40°C至+105°C,±50ppm
| 貼片石英晶振 | 品牌 | 描述 | 系列 | 頻率 | 輸出 | 電壓 |
| XFC236156.250000I | Renesas瑞薩晶振 | XTAL OSC XO 156.2500MHZ CML SMD | XFC | 156.25 MHz | CML | 3.3V |
| XFN516100.000000I | Renesas瑞薩晶振 | 100.000000 MHZ 1.8VDC HCSL 5032 | XFN | 100 MHz | HCSL | 1.8V |
| XFN336100.000000I | Renesas瑞薩晶振 | 100.000000 MHZ 3.3VDC HCSL 3225 | XFN | 100 MHz | HCSL | 3.3V |
| XFN236100.000000I | Renesas瑞薩晶振 | DFN 2.00X2.50X1.00 MM, 0.40MM PI | XFN | 100 MHz | HCSL | 3.3V |
| XFC516025.000000I | Renesas瑞薩晶振 | XTAL OSC XO 25.0000MHZ CML SMD | XFC | 25 MHz | CML | 1.8V |
| XFN236156.250000I | Renesas瑞薩晶振 | DFN 2.00X2.50X1.00 MM, 0.40MM PI | XFN | 156.25 MHz | HCSL | 3.3V |
| XFN216100.000000I | Renesas瑞薩晶振 | DFN 2.00X2.50X1.00 MM, 0.40MM PI | XFN | 100 MHz | HCSL | 1.8V |
| XFN216161.132812I | Renesas瑞薩晶振 | DFN 2.00X2.50X1.00 MM, 0.40MM PI | XFN | 161.132812 MHz | HCSL | 1.8V |
| XFN236025.000000I | Renesas瑞薩晶振 | XTAL OSC XO 25.0000MHZ HCSL SMD | XFN | 25 MHz | HCSL | 3.3V |
| XFC226156.250000I | Renesas瑞薩晶振 | XTAL OSC XO 156.2500MHZ CML SMD | XFC | 156.25 MHz | CML | 2.5V |
| XFC216837.500000I | Renesas瑞薩晶振 | XTAL OSC XO 837.5000MHZ CML SMD | XFC | 837.5 MHz | CML | 1.8V |
| XFW536156.250000I | Renesas瑞薩晶振 | XFW536156.25000 PROGRAMMABLE XO | XFW | 156.250MHz | LVPECL | 3.3V |
| XFN336212.500000I | Renesas瑞薩晶振 | XTAL OSC XO 212.5000MHZ HCSL SMD | XFN | 212.5 MHz | HCSL | 3.3V |
| XFX536100.000000I | Renesas瑞薩晶振 | XFX536100.00000 PROGRAMMABLE XO | XFX | 100.000MHz | LVPECL | 3.3V |
| XFZ536100.000000I | Renesas瑞薩晶振 | XFZ536100.00000 PROGRAMMABLE XO | XFZ | 100.000MHz | LVPECL | 3.3V |
| XFC536100.000000I | Renesas瑞薩晶振 | XTAL OSC XO 100.0000MHZ CML SMD | XFC | 100 MHz | CML | 3.3V |
| XFC536272.800000I | Renesas瑞薩晶振 | XTAL OSC XO 272.8000MHZ CML SMD | XFC | 272.8 MHz | CML | 3.3V |
| XFN536156.250000I | Renesas瑞薩晶振 | XTAL OSC XO 156.2500MHZ HCSL SMD | XFN | 156.25 MHz | HCSL | 3.3V |
| XFN536100.000000I | 進口晶振 | XTAL OSC XO 100.0000MHZ HCSL SMD | XFN | 100 MHz | HCSL | 3.3V |
| XFY536100.000000I | Renesas瑞薩晶振 | XFY536100.00000 PROGRAMMABLE XO | XFY | 100.000MHz | LVPECL | 3.3V |
| XFN216033.333300I | Renesas瑞薩晶振 | XTAL OSC XO 33.3333MHZ HCSL SMD | XFN | 33.3333 MHz | HCSL | 1.8V |
| XFN236050.000000I | Renesas瑞薩晶振 | XTAL OSC XO 50.0000MHZ HCSL SMD | XFN | 50 MHz | HCSL | 3.3V |
| XFC23C850.053267K | Renesas瑞薩晶振 | DFN 2.00X2.50X1.00 MM, 0.40MM PI | XFC | 850.053267 MHz | CML | 3.3V |
| XFC235156.250000K | Renesas瑞薩晶振 | XTAL OSC XO 156.2500MHZ CML SMD | XFC | 156.25 MHz | CML | 3.3V |
| XFN235100.000000K | Renesas瑞薩晶振 | XTAL OSC XO 100.0000MHZ HCSL SMD | XFN | 100 MHz | HCSL | 3.3V |
| XFC535750.000000K | Renesas瑞薩晶振 | XTAL OSC XO 750.0000MHZ CML SMD | XFC | 750 MHz | CML | 3.3V |
| XFN315100.000000K | Renesas瑞薩晶振 | XTAL OSC XO 100.0000MHZ HCSL SMD | XFN | 100 MHz | HCSL | 1.8V |
| XFC325125.000000K | Renesas瑞薩晶振 | XTAL OSC XO 125.0000MHZ CML SMD | XFC | 125 MHz | CML | 2.5V |
| XFC215156.250000K | Renesas瑞薩晶振 | DFN 2.00X2.50X1.00 MM, 0.40MM PI | XFC | 156.25 MHz | CML | 1.8V |
| XFC215800.000000K | Renesas瑞薩晶振 | DFN 2.00X2.50X1.00 MM, 0.40MM PI | XFC | 800 MHz | CML | 1.8V |
| XFC23C850.053267I | Renesas瑞薩晶振 | DFN 2.00X2.50X1.00 MM, 0.40MM PI | XFC | 850.053267 MHz | CML | 3.3V |
| XFN336148.500000I | Renesas瑞薩晶振 | IC OSC VCXO QD FREQ 10CLCC | XFN | 148.5 MHz | HCSL | 3.3V |
| XFN336625.000000I | Renesas瑞薩晶振 | XFN336625.000000I | XFN | 625 MHz | HCSL | 3.3V |

深圳市康華爾電子有限公司SHENZHEN KONUAER ELECTRONICS CO.,LTD
電 話:0755-27838351
手 機:13823300879
Q Q:632862232
E-mail:konuaer@163.com
網 址:http://www.mingdakt.cn
地 址:廣東深圳市寶安寶安大道東95號浙商銀行大廈1905











業務經理