晶振中心
進口晶振
- SMI晶振
- KDS晶振
- 精工晶振
- 西鐵城晶振
- 愛普生晶振
- 村田晶振
- 日本NDK晶體
- 京瓷晶振
- 臺灣TXC晶振
- 泰藝晶振
- 亞陶晶振
- 希華晶體
- 臺灣津綻晶體
- 美國CTS石英晶振
- 加高晶體
- 大河晶振
- 鴻星晶振
- 富士石英晶體
- AKER晶振
- Lihom晶振
- NAKA晶振
- NKG晶振
- NJR晶振
- Sunny晶振
石英晶體諧振器
歐美晶振
- Abracon晶振
- ECS晶振
- Golledge晶振
- ILSI晶振
- FOX晶振
- fujicom晶振
- AEK晶振
- CRYSTEK晶振
- interquip晶振
- Geyer晶振
- quartzcom晶振
- qantek晶振
- EUROQUARTZ晶振
- quarztechnik晶振
- Cardinal晶振
- FRE-TECH晶振
- KVG晶振
- wi2wi晶振
- AEL晶振
- Transko晶振
- suntsu晶振
- mmdcomp晶振
- MERCURY晶振
- MTRONPTI晶振
- RALTRON晶振
- Microcrystal晶振
- SITIME晶振
- IDT晶振
- Pletronics晶振
- STATEK晶振
- Rakon晶振
- ConnorWinfield晶振
- JAUCH晶振
- VECTRON晶振
- Greenray晶振
- ECLIPTEK晶振
- ACT晶振
- MTI-milliren晶振
- Rubyquartz晶振
- Oscilent晶振
- SHINSUNG晶振
- ITTI晶振
- PDI晶振
- IQD晶振
- Microchip晶振
- Silicon晶振
- Fortiming晶振
- CORE晶振
- NIPPON晶振
- NICKC晶振
- QVS晶振
- Bomar晶振
- Bliley晶振
- GED晶振
- FILTRONETICS晶振
- STD晶振
- Q-Tech晶振
- Anderson晶振
- Wenzel晶振
- NEL晶振
- EM晶振
- PETERMANN晶振
- FCD-Tech晶振
- HEC晶振
- FMI晶振
- Macrobizes晶振
- AXTAL晶振
- ARGO晶振
- Skyworks晶振
- Renesas瑞薩晶振
數碼產品
智能家電
時計產品
車載產品
石英晶體振蕩器

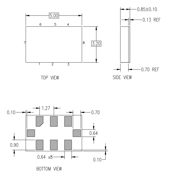
Renesas低電壓晶振,XFL536125.000000I,衛星導航晶振,美國進口晶振,Renesas瑞薩電子晶振,XF系列晶振,編碼為:XFL536125.000000I,頻率為:125.000MHz,小體積晶振尺寸:5.0x3.2x0.85mm封裝,8墊腳貼片晶振,LVDS輸出差分晶體振蕩器,貼片石英晶振,差分晶振,有源晶振,電壓:3.3V,工作溫度范圍:-40℃至+85℃。具有超小型,輕薄型,低抖動,低功耗,低相位噪聲,低電源電壓,低耗能,低電平,低電流消耗等特點。應用于:通訊設備,無線網絡,藍牙模塊,物聯網,光纖通訊,衛星導航晶振,路由器,交換機,以太網,衛星導航晶振,醫療設備,安防設備等。
XF系列器件是超低相位噪聲石英基PLL晶體振蕩器,支持大范圍的頻率和輸出接口類型。這些設備被設計為操作在三種不同的電源與幾種針形配置,以及兩個操作溫度范圍。XF設備可以被編程以產生從15MHz到2100MHz的輸出頻率,其分辨率可低至1Hz的精度。該系列設備的配置能力允許樣品和大型生產訂單的快速交付時間。該零件在工廠為固定頻率應用進行一次性編程(OTP),或可根據系統需要使用I2C進行現場編程(參見引腳描述下的說明)。

Renesas低電壓晶振,XFL536125.000000I,衛星導航晶振,參數表
| Parameter | Test Condition | Minimum | Typical | Maximum | Units | |
| Output Frequency Range | LVDS, LVPECL, CML. | 125.000 | MHz | |||
| HCSL. | 15 | — | 725 | |||
| Frequency Stability | Temperature = -40°C to +85°C. | — | — | ±25 | ppm | |
| Temperature = -40°C to +105°C. | — | — | ±50 | ppm | ||
| Frequency Tolerance (25°C) | Temperature = 25°C. | — | — | ±15 | ppm | |
| Aging (1st year) | TA = 25°C. | — | — | ±3 | ||
| Aging (10 years) | TA = 25°C. | — | — | ±10 | ||
| Output Load | LVDS. | Differential. | — | 100 | — | Ω |
| LVPECL. | VDD - 2.0V. | — | 50 | — | ||
| HCSL. | To GND. | — | 50 | — | ||
| Start-up Time | Output valid time after VDD meets minimum specified level. | — | 5 | — | ms | |
| Output Rise Time | LVDS. | 20% – 80%, 156.25MHz | — | 303 | 400 | ps |
| LVPECL. | — | 292 | 400 | |||
| HCSL. | — | 310 | 400 | |||
| CML | — | 304 | 400 | |||
| Output Fall Time | LVDS. | 80% – 20%, 156.25MHz | — | 282 | 400 | ps |
| LVPECL. | — | 278 | 400 | |||
| HCSL. | — | 288 | 400 | |||
| CML | — | 281 | 400 | |||
| Output Clock Duty Cycle | LVDS. | 156.25MHz | 48 | — | 52 | % |
| LVPECL. | 156.25MHz | 48 | — | 52 | ||
| HCSL. | 156.25MHz | 48 | — | 52 | ||
| CML | 156.25MHz | 48 | — | 52 | ||
| Output Enable/Disable Time | — | — | — | 1 | — |
ms |
Renesas低電壓晶振,XFL536125.000000I,衛星導航晶振,尺寸圖
Renesas低電壓晶振,XFL536125.000000I,衛星導航晶振
產品特點:
輸出類型:LVDS、LVPECL、CML
頻率范圍:15MHz至2100MHz
輸出類型:HCSL 石英晶體振蕩器
頻率范圍:15MHz至725MHz
電源電壓選項:1.8V、2.5V或3.3V
相位抖動(12kHz至20MHz):典型值為120fs
程序包選項:5.0×3.2mm,3.2×2.5mm,2.5×2.0mm
工作溫度和頻率穩定性:
-40°C至+85°C,±25ppm
-40°C至+105°C,±50ppm
| 編碼 | 晶振廠家 | 描述 | 系列 | 頻率 | 輸出 | 電壓 |
| XFL526125.000000I | Renesas瑞薩晶振 | 125.000000 MHZ 2.5VDC LVDS 5032 | XFL | 125 MHz | LVDS | 2.5V |
| XFL235837.500000K | Renesas瑞薩晶振 | DFN 2.00X2.50X1.00 MM, 0.40MM PI | XFL | 837.5 MHz | LVDS | 3.3V |
| XFL336156.250000I | Renesas瑞薩晶振 | 156.250000 MHZ 3.3VDC LVDS 3225 | XFL | 156.25 MHz | LVDS | 3.3V |
| XFL516100.000000I | Renesas瑞薩晶振 | XTAL OSC XO 100.0000MHZ LVDS SMD | XFL | 100 MHz | LVDS | 1.8V |
| XFL536125.000000I | Renesas瑞薩晶振 | XTAL OSC XO 125.0000MHZ LVDS SMD | XFL | 125 MHz | LVDS | 3.3V |
| XFL336032.768000I | Renesas瑞薩晶振 | XTAL OSC XO 32.7680MHZ LVDS SMD | XFL | 32.768 MHz | LVDS | 3.3V |
| XFL316125.000000I | Renesas瑞薩晶振 | XTAL OSC XO 125.0000MHZ LVDS SMD | XFL | 125 MHz | LVDS | 1.8V |
| XFL336333.330000I | Renesas瑞薩晶振 | XTAL OSC XO 333.3300MHZ LVDS SMD | XFL | 333.33 MHz | LVDS | 3.3V |
| XFL336032.000000I | Renesas瑞薩晶振 | XTAL OSC XO 32.0000MHZ LVDS SMD | XFL | 32 MHz | LVDS | 3.3V |
| XFL526032.000000I | Renesas瑞薩晶振 | XTAL OSC XO 32.0000MHZ LVDS SMD | XFL | 32 MHz | LVDS | 2.5V |
| XFL336333.333333I | Renesas瑞薩晶振 | XTAL OSC XO 333.333333MHZ LVDS | XFL | 333.333333 MHz | LVDS | 3.3V |
| XFL336125.000000I | Renesas瑞薩晶振 | XTAL OSC XO 125.0000MHZ LVDS SMD | XFL | 125 MHz | LVDS | 3.3V |
| XFL516500.000000I | Renesas瑞薩晶振 | XTAL OSC XO 500.0000MHZ LVDS SMD | XFL | 500 MHz | LVDS | 1.8V |
| XFL316300.000000I | Renesas瑞薩晶振 | XTAL OSC XO 300.0000MHZ LVDS SMD | XFL | 300 MHz | LVDS | 1.8V |
| XFL336148.425824I | Renesas瑞薩晶振 | XTAL OSC XO 148.425824MHZ LVDS | XFL | 148.425824 MHz | LVDS | 3.3V |
| XFL336161.132812I | Renesas瑞薩晶振 | XTAL OSC XO 161.132812MHZ LVDS | XFL | 161.132812 MHz | LVDS | 3.3V |
| XFL536026.000000I | Renesas瑞薩晶振 | XTAL OSC XO 26.0000MHZ LVDS SMD | XFL | 26 MHz | LVDS | 3.3V |
| XFL536100.000000I | Renesas瑞薩晶振 | XTAL OSC XO 100.0000MHZ LVDS SMD | XFL | 100 MHz | LVDS | 3.3V |
| XFL336096.000000I | Renesas瑞薩晶振 | XTAL OSC XO 96.0000MHZ LVDS SMD | XFL | 96 MHz | LVDS | 3.3V |
| XFL336048.000000I | Renesas瑞薩晶振 | XTAL OSC XO 48.0000MHZ LVDS SMD | XFL | 48 MHz | LVDS | 3.3V |
| XFL336333.333000I | Renesas瑞薩晶振 | XTAL OSC XO 333.3330MHZ LVDS SMD | XFL | 333.333 MHz | LVDS | 3.3V |
| XFL336450.000000I | Renesas瑞薩晶振 | XTAL OSC XO 450.0000MHZ LVDS SMD | XFL | 450 MHz | LVDS | 3.3V |
| XFL316270.000000I | 進口晶振 | XTAL OSC XO 270.0000MHZ LVDS SMD | XFL | 270 MHz | LVDS | 1.8V |
| XFL336025.000000I | Renesas瑞薩晶振 | XTAL OSC XO 25.0000MHZ LVDS SMD | XFL | 25 MHz | LVDS | 3.3V |
| XFL236644.531250I | Renesas瑞薩晶振 | DFN 2.00X2.50X1.00 MM, 0.40MM PI | XFL | 644.53125 MHz | LVDS | 3.3V |
| XFL236830.078125I | Renesas瑞薩晶振 | DFN 2.00X2.50X1.00 MM, 0.40MM PI | XFL | 830.078125 MHz | LVDS | 3.3V |
| XFL226156.250000I | Renesas瑞薩晶振 | DFN 2.00X2.50X1.00 MM, 0.40MM PI | XFL | 156.25 MHz | LVDS | 2.5V |
| XFL236156.250000I | Renesas瑞薩晶振 | DFN 2.00X2.50X1.00 MM, 0.40MM PI | XFL | 156.25 MHz | LVDS | 3.3V |
| XFL236108.000000I | Renesas瑞薩晶振 | DFN 2.00X2.50X1.00 MM, 0.40MM PI | XFL | 108 MHz | LVDS | 3.3V |
| XFL216156.250000I | Renesas瑞薩晶振 | DFN 2.00X2.50X1.00 MM, 0.40MM PI | XFL | 156.25 MHz | LVDS | 1.8V |
| XFL236148.500000I | Renesas瑞薩晶振 | DFN 2.00X2.50X1.00 MM, 0.40MM PI | XFL | 148.5 MHz | LVDS | 3.3V |
| XFL226026.000000I | Renesas瑞薩晶振 | XTAL OSC XO 26.0000MHZ LVDS SMD | XFL | 26 MHz | LVDS | 2.5V |
| XFL216625.000000I | Renesas瑞薩晶振 | XTAL OSC XO 625.0000MHZ LVDS SMD | XFL | 625 MHz | LVDS | 1.8V |
| XFL216397.770000I | Renesas瑞薩晶振 | XTAL OSC XO 397.7700MHZ LVDS SMD | XFL | 397.77 MHz | LVDS | 1.8V |
| XFL216078.125000I | Renesas瑞薩晶振 | XTAL OSC XO 78.1250MHZ LVDS SMD | XFL | 78.125 MHz | LVDS | 1.8V |
| XFL21C156.250000I | Renesas瑞薩晶振 | XFL21C156.25000 PROGRAMMABLE XO | XFL | 156.250MHz | LVDS | 1.8V |
| XFL536040.000000I | Renesas瑞薩晶振 | XTAL OSC XO 40.0000MHZ LVDS SMD | XFL | 40 MHz | LVDS | 3.3V |
| XFL516156.250000I | Renesas瑞薩晶振 | XTAL OSC XO 156.2500MHZ LVDS SMD | XFL | 156.25 MHz | LVDS | 1.8V |
| XFL536200.000000I | Renesas瑞薩晶振 | XTAL OSC XO 200.0000MHZ LVDS SMD | XFL | 200 MHz | LVDS | 3.3V |
| XFL525100.000000I | Renesas瑞薩晶振 | XTAL OSC XO 100.0000MHZ LVDS SMD | XFL | 100 MHz | LVDS | 2.5V |
| XFL516245.000000I | Renesas瑞薩晶振 | XTAL OSC XO 245.0000MHZ LVDS SMD | XFL | 245 MHz | LVDS | 1.8V |
| XFL336165.000000I | Renesas瑞薩晶振 | XTAL OSC XO 165.0000MHZ LVDS SMD | XFL | 165 MHz | LVDS | 3.3V |
| XFL536156.250000I | Renesas瑞薩晶振 | XTAL OSC XO 156.2500MHZ LVDS SMD | XFL | 156.25 MHz | LVDS | 3.3V |
| XFL526100.000000I | Renesas瑞薩晶振 | XTAL OSC XO 100.0000MHZ LVDS SMD | XFL | 100 MHz | LVDS | 2.5V |
| XFL336161.132813I | Renesas瑞薩晶振 | XTAL OSC XO 161.132813MHZ LVDS | XFL | 161.132813 MHz | LVDS | 3.3V |
| XFL326300.000000I | Renesas瑞薩晶振 | XTAL OSC XO 300.0000MHZ LVDS SMD | XFL | 300 MHz | LVDS | 2.5V |
| XFL326161.132812I | Renesas瑞薩晶振 | XTAL OSC XO 161.132812MHZ LVDS | XFL | 161.132812 MHz | LVDS | 2.5V |
| XFL536153.600000I | Renesas瑞薩晶振 | XTAL OSC XO 153.6000MHZ LVDS SMD | XFL | 153.6 MHz | LVDS | 3.3V |
| XFL516161.132812I | Renesas瑞薩晶振 | XTAL OSC XO 161.132812MHZ LVDS | XFL | 161.132812 MHz | LVDS | 1.8V |
| XFL336425.000000I | Renesas瑞薩晶振 | XTAL OSC XO 425.0000MHZ LVDS SMD | XFL | 425 MHz | LVDS | 3.3V |
| XFL336780.000000I | Renesas瑞薩晶振 | XTAL OSC XO 780.0000MHZ LVDS SMD | XFL | 780 MHz | LVDS | 3.3V |
| XFL326148.351648I | Renesas瑞薩晶振 | XTAL OSC XO 148.351648MHZ LVDS | XFL | 148.351648 MHz | LVDS | 2.5V |
| XFL516135.000000I | Renesas瑞薩晶振 | XTAL OSC XO 135.0000MHZ LVDS SMD | XFL | 135 MHz | LVDS | 1.8V |
| XFL336400.000000I | Renesas瑞薩晶振 | XTAL OSC XO 400.0000MHZ LVDS SMD | XFL | 400 MHz | LVDS | 3.3V |
| XFL316050.000000I | Renesas瑞薩晶振 | XTAL OSC XO 50.0000MHZ LVDS SMD | XFL | 50 MHz | LVDS | 1.8V |
| XFL326148.500000I | Renesas瑞薩晶振 | XTAL OSC XO 148.5000MHZ LVDS SMD | XFL | 148.5 MHz | LVDS | 2.5V |
| XFL336603.229000I | Renesas瑞薩晶振 | XTAL OSC XO 603.2290MHZ LVDS SMD | XFL | 603.229 MHz | LVDS | 3.3V |
| XFL336033.300000I | Renesas瑞薩晶振 | XTAL OSC XO 33.3000MHZ LVDS SMD | XFL | 33.3 MHz | LVDS | 3.3V |
| XFL336380.000000I | Renesas瑞薩晶振 | XTAL OSC XO 380.0000MHZ LVDS SMD | XFL | 380 MHz | LVDS | 3.3V |
| XFL536148.500000I | Renesas瑞薩晶振 | XTAL OSC XO 148.5000MHZ LVDS SMD | XFL | 148.5 MHz | LVDS | 3.3V |
| XFL316080.000000I | Renesas瑞薩晶振 | XTAL OSC XO 80.0000MHZ LVDS SMD | XFL | 80 MHz | LVDS | 1.8V |
| XFL316100.000000I | Renesas瑞薩晶振 | XTAL OSC XO 100.0000MHZ LVDS SMD | XFL | 100 MHz | LVDS | 1.8V |
| XFL326080.000000I | Renesas瑞薩晶振 | XTAL OSC XO 80.0000MHZ LVDS SMD | XFL | 80 MHz | LVDS | 2.5V |
| XFL316400.000000I | Renesas瑞薩晶振 | XTAL OSC XO 400.0000MHZ LVDS SMD | XFL | 400 MHz | LVDS | 1.8V |
| XFL536025.012500I | Renesas瑞薩晶振 | XTAL OSC XO 25.0125MHZ LVDS SMD | XFL | 25.0125 MHz | LVDS | 3.3V |
| XFL526066.666667I | Renesas瑞薩晶振 | XTAL OSC XO 66.666667MHZ LVDS | XFL | 66.666667 MHz | LVDS | 2.5V |
| XFL516333.333000I | Renesas瑞薩晶振 | XTAL OSC XO 333.3330MHZ LVDS SMD | XFL | 333.333 MHz | LVDS | 1.8V |
| XFL326156.250000I | Renesas瑞薩晶振 | XTAL OSC XO 156.2500MHZ LVDS SMD | XFL | 156.25 MHz | LVDS | 2.5V |

深圳市康華爾電子有限公司SHENZHEN KONUAER ELECTRONICS CO.,LTD
電 話:0755-27838351
手 機:13823300879
Q Q:632862232
E-mail:konuaer@163.com
網 址:http://www.mingdakt.cn
地 址:廣東深圳市寶安寶安大道東95號浙商銀行大廈1905











業務經理