晶振中心
進口晶振
- SMI晶振
- KDS晶振
- 精工晶振
- 西鐵城晶振
- 愛普生晶振
- 村田晶振
- 日本NDK晶體
- 京瓷晶振
- 臺灣TXC晶振
- 泰藝晶振
- 亞陶晶振
- 希華晶體
- 臺灣津綻晶體
- 美國CTS石英晶振
- 加高晶體
- 大河晶振
- 鴻星晶振
- 富士石英晶體
- AKER晶振
- Lihom晶振
- NAKA晶振
- NKG晶振
- NJR晶振
- Sunny晶振
石英晶體諧振器
歐美晶振
- Abracon晶振
- ECS晶振
- Golledge晶振
- ILSI晶振
- FOX晶振
- fujicom晶振
- AEK晶振
- CRYSTEK晶振
- interquip晶振
- Geyer晶振
- quartzcom晶振
- qantek晶振
- EUROQUARTZ晶振
- quarztechnik晶振
- Cardinal晶振
- FRE-TECH晶振
- KVG晶振
- wi2wi晶振
- AEL晶振
- Transko晶振
- suntsu晶振
- mmdcomp晶振
- MERCURY晶振
- MTRONPTI晶振
- RALTRON晶振
- Microcrystal晶振
- SITIME晶振
- IDT晶振
- Pletronics晶振
- STATEK晶振
- Rakon晶振
- ConnorWinfield晶振
- JAUCH晶振
- VECTRON晶振
- Greenray晶振
- ECLIPTEK晶振
- ACT晶振
- MTI-milliren晶振
- Rubyquartz晶振
- Oscilent晶振
- SHINSUNG晶振
- ITTI晶振
- PDI晶振
- IQD晶振
- Microchip晶振
- Silicon晶振
- Fortiming晶振
- CORE晶振
- NIPPON晶振
- NICKC晶振
- QVS晶振
- Bomar晶振
- Bliley晶振
- GED晶振
- FILTRONETICS晶振
- STD晶振
- Q-Tech晶振
- Anderson晶振
- Wenzel晶振
- NEL晶振
- EM晶振
- PETERMANN晶振
- FCD-Tech晶振
- HEC晶振
- FMI晶振
- Macrobizes晶振
- AXTAL晶振
- ARGO晶振
- Skyworks晶振
- Renesas瑞薩晶振
數碼產品
智能家電
時計產品
車載產品
石英晶體振蕩器

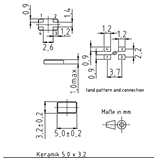
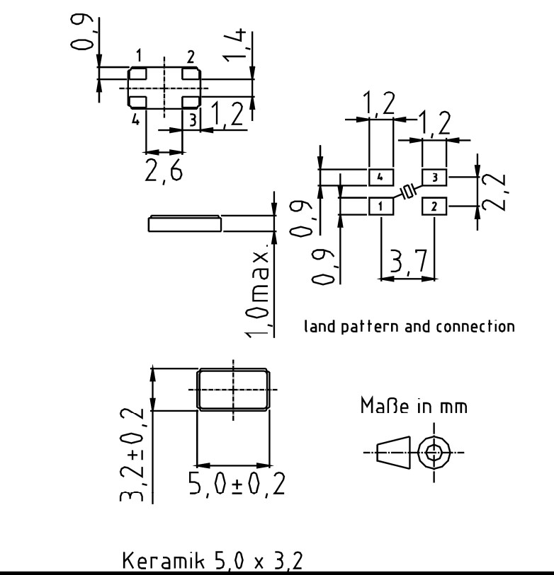
XMP-7100,XMP-7135-5E-18pF-20MHz,KVG超小型晶振,5032mm,德國進口晶振,KVG晶振廠家,型號:XMP-7100系列,編碼為:XMP-7135-5E-18pF-20MHz,頻率為:20.000MHz,小體積晶振尺寸為:5.0x3.2mm封裝,四腳貼片晶振,石英晶振,無源晶振,石英晶體諧振器,SMD無源晶體,無鉛環保晶振。5032無源晶振,具有超小型,輕薄型,高精度,高性能,高品質,耐熱及耐環境特點。被廣泛用于:通訊設備,無線網絡,藍牙模塊晶振,汽車電子晶振,車載導航晶振,安防設備,醫療設備,物聯網晶振,數碼電子,平板電腦等應用。

XMP-7100,XMP-7135-5E-18pF-20MHz,KVG超小型晶振,5032mm,參數表
| Specification : | |||||||||||||||||||||||
| Frequency range, Mode of vibration : | 20.000 MHz | ||||||||||||||||||||||
| Temperature range options: |
0: 0 to +50 °C 1: -10 to +60 °C 2: -20 to +70 °C 3: -40 to +85 °C |
||||||||||||||||||||||
|
Frequency stability vs. temperature options : ± 5 ppm (available for temp.range 0 & 1 ): ± 10 ppm (available for temp.range 0, 1, 2): |
1 2 3 4 5 6 |
||||||||||||||||||||||
|
± 15 ± 20 ± 30 ± 50 |
ppm ppm ppm ppm |
||||||||||||||||||||||
| Adjustment tolerance at +25 °C: |
A: ± 10 D: ± 25 |
ppm ppm |
B: ± 15 E: ± 30 |
ppm ppm |
C: ± 20 F: ± 50 |
ppm ppm |
|||||||||||||||||
| Load capacity CL : | 9 pF to 32 pF and series resonance available | ||||||||||||||||||||||
| R1max : | See table page 2 | ||||||||||||||||||||||
| Co : | 5 pF max | ||||||||||||||||||||||
| Drive level : | 0.01 mW standard; 0.1 mW max. | ||||||||||||||||||||||
| Aging : | ± 1 ppm/year | ||||||||||||||||||||||
| Storage temperature range : | -55 °C to +125 °C | ||||||||||||||||||||||
XMP-7100,XMP-7135-5E-18pF-20MHz,KVG超小型晶振,5032mm,尺寸圖
XMP-7100,XMP-7135-5E-18pF-20MHz,KVG超小型晶振,5032mm
5032mm體積的貼片晶振,可以說是目前小型數碼產品的福音,目前超小型的智能手機里面所應用的就是小型的石英晶振,該產品最適用于無線通訊系統,無線局域網,已實現低相位噪聲,低電壓,低消費電流和高穩定度,超小型,質量輕等產品特點,產品本身編帶包裝方式,可對應自動高速貼片機應用,以及高溫回流焊接,產品無鉛對應,為無鉛產品.

深圳市康華爾電子有限公司SHENZHEN KONUAER ELECTRONICS CO.,LTD
電 話:0755-27838351
手 機:13823300879
Q Q:632862232
E-mail:konuaer@163.com
網 址:http://www.mingdakt.cn
地 址:廣東深圳市寶安寶安大道東95號浙商銀行大廈1905











業務經理