晶振中心
進口晶振
- SMI晶振
- KDS晶振
- 精工晶振
- 西鐵城晶振
- 愛普生晶振
- 村田晶振
- 日本NDK晶體
- 京瓷晶振
- 臺灣TXC晶振
- 泰藝晶振
- 亞陶晶振
- 希華晶體
- 臺灣津綻晶體
- 美國CTS石英晶振
- 加高晶體
- 大河晶振
- 鴻星晶振
- 富士石英晶體
- AKER晶振
- Lihom晶振
- NAKA晶振
- NKG晶振
- NJR晶振
- Sunny晶振
石英晶體諧振器
歐美晶振
- Abracon晶振
- ECS晶振
- Golledge晶振
- ILSI晶振
- FOX晶振
- fujicom晶振
- AEK晶振
- CRYSTEK晶振
- interquip晶振
- Geyer晶振
- quartzcom晶振
- qantek晶振
- EUROQUARTZ晶振
- quarztechnik晶振
- Cardinal晶振
- FRE-TECH晶振
- KVG晶振
- wi2wi晶振
- AEL晶振
- Transko晶振
- suntsu晶振
- mmdcomp晶振
- MERCURY晶振
- MTRONPTI晶振
- RALTRON晶振
- Microcrystal晶振
- SITIME晶振
- IDT晶振
- Pletronics晶振
- STATEK晶振
- Rakon晶振
- ConnorWinfield晶振
- JAUCH晶振
- VECTRON晶振
- Greenray晶振
- ECLIPTEK晶振
- ACT晶振
- MTI-milliren晶振
- Rubyquartz晶振
- Oscilent晶振
- SHINSUNG晶振
- ITTI晶振
- PDI晶振
- IQD晶振
- Microchip晶振
- Silicon晶振
- Fortiming晶振
- CORE晶振
- NIPPON晶振
- NICKC晶振
- QVS晶振
- Bomar晶振
- Bliley晶振
- GED晶振
- FILTRONETICS晶振
- STD晶振
- Q-Tech晶振
- Anderson晶振
- Wenzel晶振
- NEL晶振
- EM晶振
- PETERMANN晶振
- FCD-Tech晶振
- HEC晶振
- FMI晶振
- Macrobizes晶振
- AXTAL晶振
- ARGO晶振
- Skyworks晶振
- Renesas瑞薩晶振
數碼產品
智能家電
時計產品
車載產品
石英晶體振蕩器

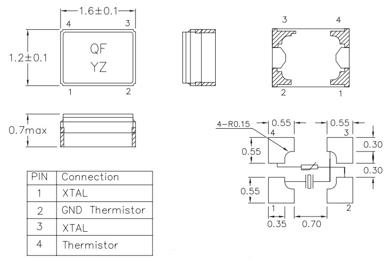
THR-1612,1612mm,38.4M,Interquip移動通訊晶振,無線應用晶振,輕薄型晶振,Interquip晶振,應達利晶振,型號:THR-1612,小體積晶振尺寸:1.6x1.2mm微型尺寸包裝,頻率范圍:26MHz~76.8MHz,四腳貼片晶振,石英晶振,無源晶振,SMD晶振,石英晶體諧振器,無鉛晶振,表面貼裝陶瓷外殼,符合RoHS標準且不含鉛,工作溫度范圍:-30℃至+85℃,-40℃至+85℃,水晶振子,具有超小型,輕薄型,高精度,高性能,高品質,耐熱及耐環境特點。專為移動通信而設計,應用于:通訊設備,無線應用,藍牙模塊,物聯網,小型便捷式設備,智能穿戴設備,游戲機設備,數碼電子,智能家居等。

THR-1612,1612mm,38.4M,Interquip移動通訊晶振,無線應用晶振,輕薄型晶振,參數表
| Nominal Frequency Range 標稱頻率范圍 | f0 | 26 MHz~ 76.8 MHz | ||||||
| Frequency Tolerance, Ta=25°C ± 3°C 常溫頻率偏差 | Δf/f | ±10ppm | ||||||
| Load Capacitance 負載電容 | CL | 7pF, 9pF or specify | ||||||
|
Frequency Tolerance over Operating Temperature Range 頻率溫度特性 |
Δf/f | ±10ppm or specify | ||||||
| Operating Temperature Range 工作溫度 | TOPR | -30°C ~ +85°C, -40°C ~ +85°C | ||||||
| Storage Temperature Range 儲存溫度 | TSTG | -55°C ~ +125°C | ||||||
| Drive Level 激勵功率 | DL | 100µW Max. | ||||||
| Shunt Capacitance 靜態電容 | C0 | 2pF Max. | ||||||
| Equivalent Series Resistance (ESR) 串聯諧振阻抗 | ESR | 80Ω | 60Ω | |||||
| Aging 老化率 | ΔfA | ±1ppm/Year | ||||||
| Oscillation Mode 振動模式 | OT | Fundamental | ||||||
| Thermistor Resistance 熱敏電阻阻值 | 100 KΩ±1% | |||||||
| Thermistor B-Constant 熱敏電阻B常數 | 4250K±1% | |||||||
THR-1612,1612mm,38.4M,Interquip移動通訊晶振,無線應用晶振,輕薄型晶振,尺寸圖
THR-1612,1612mm,38.4M,Interquip移動通訊晶振,無線應用晶振,輕薄型晶振
產品特點:
表面貼裝陶瓷外殼
微型尺寸:1.6x1.2mmSMD晶振
出色的溫度跟蹤
專為移動通信而設計
符合RoHS標準且不含鉛

深圳市康華爾電子有限公司SHENZHEN KONUAER ELECTRONICS CO.,LTD
電 話:0755-27838351
手 機:13823300879
Q Q:632862232
E-mail:konuaer@163.com
網 址:http://www.mingdakt.cn
地 址:廣東深圳市寶安寶安大道東95號浙商銀行大廈1905











業務經理