晶振中心
進口晶振
- SMI晶振
- KDS晶振
- 精工晶振
- 西鐵城晶振
- 愛普生晶振
- 村田晶振
- 日本NDK晶體
- 京瓷晶振
- 臺灣TXC晶振
- 泰藝晶振
- 亞陶晶振
- 希華晶體
- 臺灣津綻晶體
- 美國CTS石英晶振
- 加高晶體
- 大河晶振
- 鴻星晶振
- 富士石英晶體
- AKER晶振
- Lihom晶振
- NAKA晶振
- NKG晶振
- NJR晶振
- Sunny晶振
石英晶體諧振器
歐美晶振
- Abracon晶振
- ECS晶振
- Golledge晶振
- ILSI晶振
- FOX晶振
- fujicom晶振
- AEK晶振
- CRYSTEK晶振
- interquip晶振
- Geyer晶振
- quartzcom晶振
- qantek晶振
- EUROQUARTZ晶振
- quarztechnik晶振
- Cardinal晶振
- FRE-TECH晶振
- KVG晶振
- wi2wi晶振
- AEL晶振
- Transko晶振
- suntsu晶振
- mmdcomp晶振
- MERCURY晶振
- MTRONPTI晶振
- RALTRON晶振
- Microcrystal晶振
- SITIME晶振
- IDT晶振
- Pletronics晶振
- STATEK晶振
- Rakon晶振
- ConnorWinfield晶振
- JAUCH晶振
- VECTRON晶振
- Greenray晶振
- ECLIPTEK晶振
- ACT晶振
- MTI-milliren晶振
- Rubyquartz晶振
- Oscilent晶振
- SHINSUNG晶振
- ITTI晶振
- PDI晶振
- IQD晶振
- Microchip晶振
- Silicon晶振
- Fortiming晶振
- CORE晶振
- NIPPON晶振
- NICKC晶振
- QVS晶振
- Bomar晶振
- Bliley晶振
- GED晶振
- FILTRONETICS晶振
- STD晶振
- Q-Tech晶振
- Anderson晶振
- Wenzel晶振
- NEL晶振
- EM晶振
- PETERMANN晶振
- FCD-Tech晶振
- HEC晶振
- FMI晶振
- Macrobizes晶振
- AXTAL晶振
- ARGO晶振
- Skyworks晶振
- Renesas瑞薩晶振
數碼產品
智能家電
時計產品
車載產品
石英晶體振蕩器
.jpg)
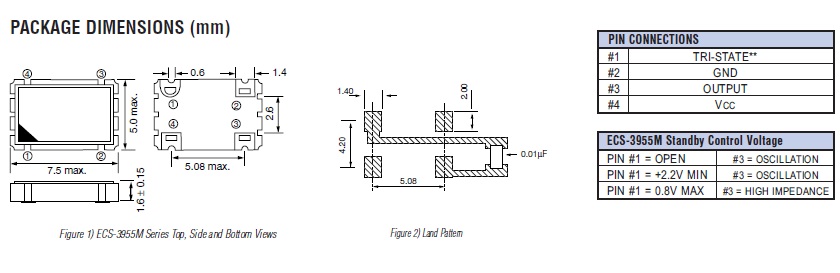
ECS晶體,伊西斯晶振,ECS-3955M石英晶振.有源晶振,是只晶體本身起振需要外部電壓供應,起振后可直接驅動CMOS集成電路,產品本身已實現與薄型IC(TSSOP封裝,TVSOP封裝)同樣的1mm厚度,斷開時的消費電流是15µA以下,編帶包裝方式可對應自動搭載及IR回流焊盤(無鉛對應)產品有幾種電壓供選1.8V,2.5V,3V3.3V,5V,以應對不同IC產品需要.
有源晶振高頻振蕩器使用IC與晶片設計匹配技術:高精度晶振是高頻振蕩器研發及生產過程必須要解決的技術難題.在設計過程中除了要考慮石英晶體諧振器具有的電性外,還有石英晶體振蕩器的電極設計等其它的特殊性,必須考慮石英晶體振蕩器的供應電壓、起動電壓和產品上升時間、下降時間等相關參數.

ECSInc.晶振集團是一家私人控股的全球領先企業,在維護全球日益增長的高可靠性創新頻率控制設備需求方面處于領先地位.一流的研究公司和電子設備設計者,是全球領先的15家開發和生產創新頻率控制解決方案的石英晶體,SMD晶振,石英晶體振蕩器制造商,超過600家.ECSInc晶振支持勞動力在香港、韓國、韓國、煙臺、中國和美國的生產設施和物流中心超過225家.

| 晶振項目 | 符號 | 產品規格 |
|---|---|---|
| 標稱頻率 | f_nom | 1.8~70MHz |
| 頻率公差 | ppm | ±25,±50,±100ppm |
| 輸出條件 | HCMOS | |
| 電源電壓 | Vcc | +5.0V |
| 負載電容 | CL | 50pF |
| 串聯電阻(ESR) | R1 | 70kΩ Max. |
| 絕對最大驅動電平 | DLmax. | 0.5μW Max. |
| 驅動電平 | DL | 0.1μW typ. |
| 并聯電容 | C 0 | 1.0pF typ. |
| 頻率老齡化 | f_age | ±3x 10-6/Year |
| 工作溫度 | T_use | −10ºC to +70ºC |
| 儲藏溫度 | T_stg | −55ºC to +125ºC |

噪音
在電源或輸入端上施加執行級別(過高)的不相干(外部的)噪音,可能導致會引發7050mm振蕩器功能失常或擊穿的閉門或雜散現象.
電源線路
電源的線路阻抗應盡可能低.
輸出負載
建議將輸出負載安裝在盡可能靠近石英振蕩器的地方(在20mm范圍之間).
未用輸入終端的處理
未用針腳可能會引起噪聲響應,從而導致非正常工作.同時,當P通道和N通道都處于打開時,電源功率消耗也會增加;因此,請將未用輸入終端連接到VCC或GND.
熱影響
重復的溫度巨大變化可能會降低受損害的進口晶振的產品特性,并導致塑料封裝里的線路擊穿.必須避免這種情況.
安裝方向
進口晶體振蕩器的不正確安裝會導致故障以及崩潰,因此安裝時,請檢查安裝方向是否正確.
通電
不建議從中間電位和/或極快速通電,否則會導致7050mm貼片晶振無法產生振蕩和/或非正常工作.
.

ECS晶振公司嚴格遵守國家有關工程建設法律、法規,不斷提高員工的質量意識和能力,履行合約、信守承諾,堅持開拓創新,不斷提升企業的施工技術素質和質量管理水平,以科學學嚴密的施工管理和真誠的服務讓業主高度滿意.
嚴格遵守國家職業安全健康法律、法規,培養員工的安全意識和能力,持續改進職業安全健康管理績效,預先采取安全措施,消除或降低危險,優先選用安全系數高的材料、設備及工藝,提高事故預防水平,創造良好的工作環境,保障員工的身心健康.
提倡在生產石英晶體振蕩器的過程中減少能源消耗,開展資源節約、資源回收和適當的化學管理工廠和辦公室,導致全球變暖的預防和循環型社會的建立.
創造并提供專研了“省、小、精”的32.768K鐘表晶振,溫補晶振,石英晶振,有源晶振,壓控振蕩器等水晶元器件及其關聯產品;并且構筑和革新既可以降低環境負荷又可以提高生產性的生產流程的活動.


深圳市康華爾電子有限公司SHENZHEN KONUAER ELECTRONICS CO.,LTD
電 話:0755-27838351
手 機:13823300879
Q Q:632862232
E-mail:konuaer@163.com
網 址:http://www.mingdakt.cn
地 址:廣東深圳市寶安寶安大道東95號浙商銀行大廈1905











業務經理