晶振中心
進口晶振
- SMI晶振
- KDS晶振
- 精工晶振
- 西鐵城晶振
- 愛普生晶振
- 村田晶振
- 日本NDK晶體
- 京瓷晶振
- 臺灣TXC晶振
- 泰藝晶振
- 亞陶晶振
- 希華晶體
- 臺灣津綻晶體
- 美國CTS石英晶振
- 加高晶體
- 大河晶振
- 鴻星晶振
- 富士石英晶體
- AKER晶振
- Lihom晶振
- NAKA晶振
- NKG晶振
- NJR晶振
- Sunny晶振
石英晶體諧振器
歐美晶振
- Abracon晶振
- ECS晶振
- Golledge晶振
- ILSI晶振
- FOX晶振
- fujicom晶振
- AEK晶振
- CRYSTEK晶振
- interquip晶振
- Geyer晶振
- quartzcom晶振
- qantek晶振
- EUROQUARTZ晶振
- quarztechnik晶振
- Cardinal晶振
- FRE-TECH晶振
- KVG晶振
- wi2wi晶振
- AEL晶振
- Transko晶振
- suntsu晶振
- mmdcomp晶振
- MERCURY晶振
- MTRONPTI晶振
- RALTRON晶振
- Microcrystal晶振
- SITIME晶振
- IDT晶振
- Pletronics晶振
- STATEK晶振
- Rakon晶振
- ConnorWinfield晶振
- JAUCH晶振
- VECTRON晶振
- Greenray晶振
- ECLIPTEK晶振
- ACT晶振
- MTI-milliren晶振
- Rubyquartz晶振
- Oscilent晶振
- SHINSUNG晶振
- ITTI晶振
- PDI晶振
- IQD晶振
- Microchip晶振
- Silicon晶振
- Fortiming晶振
- CORE晶振
- NIPPON晶振
- NICKC晶振
- QVS晶振
- Bomar晶振
- Bliley晶振
- GED晶振
- FILTRONETICS晶振
- STD晶振
- Q-Tech晶振
- Anderson晶振
- Wenzel晶振
- NEL晶振
- EM晶振
- PETERMANN晶振
- FCD-Tech晶振
- HEC晶振
- FMI晶振
- Macrobizes晶振
- AXTAL晶振
- ARGO晶振
- Skyworks晶振
- Renesas瑞薩晶振
數碼產品
智能家電
時計產品
車載產品
石英晶體振蕩器
.jpg)
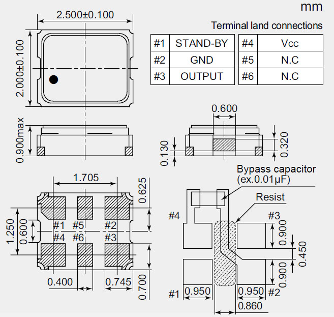
CMOS輸出晶振,NZ2520SEA晶體振蕩器,小體積有源晶振,具備簡單的溫度補償功能的高精度鐘用晶體振蕩器,可以做到-40~+85℃下±15×10-6以內的綜合頻率偏差,在具備簡單溫度補償功能的同時,可對應CMOS輸出,并且為了防止無線通信用途的無線頻率的干擾,對高次諧波進行了抑制.

日本電波工業株式會社作為晶體元器件的專業生產廠家,以“通過對客戶的服務,為社會繁榮和世界和平作出貢獻”的創業理念為基礎于1948年成立.
現在我們作為提供電子業必不可少的,在豐富用途被廣泛使用的晶體元器件產品以及應用水晶技術的傳感器等新的高附加價值產品的頻率綜合生產廠家,正以企業的繼續成長為目標而努力.





.jpg)
為了實現安全·安心·舒適的社會,ITS、軟件程序終端、M2M/LoT等無線通信的進步以及與之相伴的通信環境的整備和醫療的提高等都在發展之中.“頻率的控制、選擇和檢測”的需求在所有領域都有擴大,晶體元器件的需求會進一步提高.
在這樣的事業環境下,本集團會對以下5個產品群進行新產品開發的強化,提供只有本公司才能做到的,且品質和性能都優越的的商品,來贏得客戶高的評價和信賴,提高本集團的收益.
① 產業用高附加價值商品
開發產業用高附加價值的商品,并擴大銷售,讓其成為收益的支柱.
② 車載用高信賴性商品
開發車載用高信賴性的商品,并擴大銷售,使其成為收益的另一個支柱.
③ SAW(聲表面波)器件
擴大該商品在固定通信、車載和移動通信市場的銷售,成為本公司事業的核心.
④ 一般量產品
開發有價格競爭力的具有新的產品構造的商品和高附加價值的商品,并及時投入市場來擴大市場份額和確保利益.
⑤ 感應器器件
利用培育晶體的技術,開發超聲波裝置、頻率合成器、毫米波感應器、放射線量計等的高附加價值商品,并擴大其銷售.



自動安裝時的沖擊
自動安裝和真空化引發的沖擊會破壞產品特性并影響這些產品.請設置安裝條件以盡可能將沖擊降至最低,并確保在安裝前未對產品特性產生影響.條件改變時,請重新檢查安裝條件.同時,在安裝前后,請確保晶體產品未撞擊機器或其他電路板等.
存儲事項
(1)在更高或更低溫度或高濕度環境下長時間保存晶體產品時,會影響頻率穩定性或焊接性.請在正常溫度和濕度環境下保存這些晶體產品,并在開封后盡可能進行安裝,以免長期儲藏.
正常溫度和濕度:
溫度:+15°C 至 +35°C,濕度 25 % RH 至 85 % RH.
(2)請仔細處理內外盒與卷帶.外部壓力會導致卷帶受到損壞.

深圳市康華爾電子有限公司SHENZHEN KONUAER ELECTRONICS CO.,LTD
電 話:0755-27838351
手 機:13823300879
Q Q:632862232
E-mail:konuaer@163.com
網 址:http://www.mingdakt.cn
地 址:深圳市寶安區67區留仙一路甲岸科技園3棟5樓







業務經理